Pompa obiegowa do C.O. Grundfos ALPHA 1L 25-40-180
Grundfos ALPHA1 L 25-40 180 jest wysoko sprawną energetycznie pompą obiegową z silnikiem z magnesami trwałymi (ECM technology).
Pompa posiada trzy rodzaje regulacj;tryb regulacji dla ogrzewania grzejnikowego,tryb regulacji dla ogrzewania podłogowego i stałe charakterystyki regulacji/stałe predkości
Ponadto, prędkość może być regulowana przez niskonapięciowy sygnał PWM ( o modulowanej szerokości impulsu).
Pompa posiada ceramiczny wał i ceramiczne łożysko promieniowe, węglowe łożysko oporowe, tuleję osłonową wirnika silnika, płytę łozyskową i osłonę wirnika wykonane ze stali nierdzewnej, kompozytowy wirnik, wszystko to zapewnia długą i niezawodną pracę. Pompa jest samoodpowietrzajaca co powoduje niezawodny rozruch niezaleznie od wyboru trybu regulacji.
Kompaktowa budowa z głowicą pompy zintegrowaną z skrzynką sterowniczą i panelem sterującym umożliwia montaż w większości instalacji,równiez w kotłach.
Pompa i silnik są zintegrowane i tworzą całość bez stosowania uszczelnienia wału.Łożyska są smarowane tłoczoną cieczą. Takie rozwiazania umożliwiają eksploatację niewymagajacą konserwacji.
Korpus pompy jest wykonany z żeliwa i malowany elektrolitycznie co zwieksza odporność na korozję.
Silnik jest silnikiem synchronicznym. Regulator pompy jest wbudowany w skrzynkę sterowniczą zamontowaną w obudowie stojana.
Cechy i korzyści ALPHA1 L
- Trzy stałe charakterystyki regulacji/stałe predkości.
- Tryb regulacji dla instalacji grzejnikowych.
- Tryb regulacji dla instalacji ogrzewania podłogowego
- Sygnał wejściowy PWM profil dla systemów grzewczych ( profil A)
- Wysoka efektywność energetyczna zgodna z dyrektywą ErP
- Śruba odblokowująca wał pompy umieszczona z przodu skrzynki sterowniczej.
- Bezpieczny i niezawodny rozruch w trudnych warunkach.
- Łatwe,szybkie i bezpieczne podłączenie elektryczne za pomoca wtyczki.
Ciecz:
- Czynnik tloczony: Woda
- Zakres temperatury cieczy: 2 .. 95 °C
- Liquid temperature during operation: 60 °C
- Gęstość: 983.2 kg/m3
Techniczne:
- Klasa TF: 95
- Dopuszczenia na tabliczce znamionowej: CE,VDE,EAC
Materiały:
- Korpus pompy: Żeliwo szare
- EN 1561 EN-GJL-150
- ASTM A48-150B
- Wirnik: Composite/PES 30 % GF
Instalacja:
- Zakres temperatury otoczenia: 0 .. 55 °C
- Maksymalne ciśnienie pracy: 10 bar
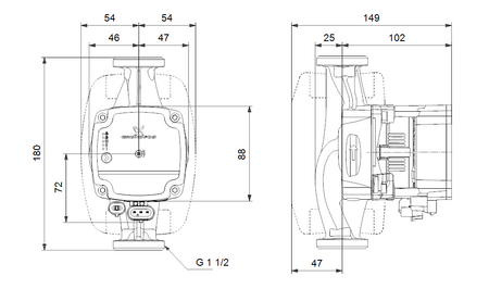
- Przyłącze rurowe: G 1 1/2
- Ciśnienie: PN 10
- Długość montażowa: 180 mm
Dane elektryczne:
- Moc wejściowa-P1: 4 .. 25 W
- Częstotliwość podstawowa: 50 Hz
- Napięcie nominalne: 1 x 230 V
- Max. zużycie prądu: 0.05 .. 0.26 A
- Rodzaj ochrony (IEC 34-5): X4D
- Klasa izolacji (IEC 85): F
Inne:
- Energy (EEI): 0.20
- Masa netto: 2.1 kg
- Masa: 2.2 kg
- Objętość wysyłkowa: 0.004 m3
- Country of origin: DK
- Custom tariff no.: 84137030









